caiziyoujinglianshebeichangjiajiandanjieshaoxiacaiziyoujinglianchengtaoshebeidezuoyonghejishuliucheng,caiziyouzhongchuganyousanzhiwaideqitachengfenchengweizazhi。caiziyoulianyoushebeidezuoyongshiquchushiyongyouzhongdezazhi,baochiyoudeshengwuxuetexing,baoliuhuotiquyouyongwuzhi。shishishang,caiziyoujinglianshebeibingbushiquchusuoyouzazhi,ershixuanzexingquchucaizimaoyouzhongdezazhi。
(1)不溶性固體雜質,如淤泥、餅粉、纖維、黏土、催化劑等。
(2)膠溶雜質,如遊離脂肪酸、甾醇、維生素E、色素、維生素、棉酚等。
(3) 揮發性雜質,如水分、醇類、烴類溶劑、異味物質等。
大多數雜質對菜籽油的質量和儲存安全有害。例如,水份不僅會影響油的透明度,還會促進油的水解和酸敗;遊離脂肪酸影響風味並促進變質;磷脂可以使油混濁並在加熱時產生黑色沉澱物。起泡、苦味等;各種色素直接影響油的顏色,也會促進油的酸敗;膠體、硫磷化合物、皂角和重金屬鹽的存在,使得汽提等後續工藝難以脫酸。

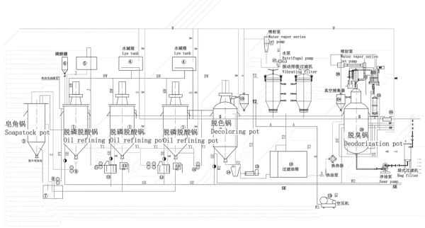
(1)菜籽油脫膠:脫除原油中的磷脂、黏液、樹脂、蛋白質、糖類、微量金屬等,一般采用水合和酸精煉的方法。
(2)菜籽油脫酸:采用食品級堿液中和法去除油中的遊離脂肪酸、酸性色素、硫化物、不溶性雜質和微量金屬。
(3)菜籽油水洗:洗去脫酸過程中殘留在油中的皂角和水溶性雜質。
(4)菜籽油脫水:采用加熱和真空幹燥的方法除去精煉油中的水分。
(5)菜籽油脫色:利用白土、矽酸鋁、活性炭等吸附劑去除油中的各種色素、膠體、氧化物等。
(6)菜籽油除臭:利用真空氣提原理,去除油中的低分子異味物質、遊離脂肪酸、甘油單酯、糖脂、硫化物、色素的熱分解產物等。
(7)菜籽油脫蠟或脫脂:主要采用冷凍、結晶或冬化結晶,分餾去除油中的蠟脂。

河南中瑞糧油機械有限公司版權所有